学习要求:掌握建筑设计的内容、设计的程序、设计的依据。
重 点:掌握建筑设计的依据。
难 点:掌握建筑设计的依据。
9.1建筑的基本构成要素
建筑、建筑物、构筑物的概念
建筑:既表示建造房屋和从事其他土木工程的活动,又表示这种活动的成果——建筑物。
建筑物:是人们为从事生产、生活和进行各种社会活动的需要,而创造的社会生活环境,如厂房、住宅、办公楼等。
构筑物:仅仅为满足生产、生活的某一方面需要,建造的某些工程设施,如水池、水塔、烟囱、支架等 。
建筑的三要素及其相互关系
建筑功能:是人们建造房屋的具体目的和使用要求的综合体现,任何建筑物都具有为人使用的功能。
建筑功能往往会对建筑的结构形式、平面空间构成、内部和外部空间的尺度、形象产生直接的影响。
物质技术条件:建筑物的物质条件和技术条件,是实现建筑设计与施工的条件和手段。
物质条件包括建筑材料与制品的生产、建筑设备(如给排水、采暖通风、电气、卫生、运输等设备)、施工机具 等等。技术条件包括建筑设计理论、工程计算理论、施工方法与管理理论等等。
建筑形象:包括建筑外部的形体和内部空间的组合;包括表面的色彩与质感;包括建筑各部分的装修处理等的综合效果。成功的建筑应当反映时代特征、反映民族特点、反映地方特色、反映文化色彩,并与周围的建筑和环境有机融合、协调,能经受时间的考验。
三者关系:三者相辅相成、辩证统一,其中建筑功能是决定因素。
9.2建筑的分类
建筑按使用性质分类
1、民用建筑:又可分为居住建筑和公共建筑。
(1)居住建筑:供人们生活起居用的建筑物,包括住宅、公寓、宿舍等。
(2)公共建筑:供人们进行社会活动的建筑物,包括办公、科教、文体、商业、医疗、邮电、广播、交通建筑等。公共建筑的类型较多,功能和体量有较大的差异。
同时具备上述两个或两个以上的功能,一般称这类建筑为综合性建筑。
2、工业建筑:指供人们进行工业生产活动的建筑。
3、农业建筑:指供人们进行农牧业的种植、养殖、贮存等用途的建筑。
建筑按高度或层数分类
1、住宅建筑:1~3层为低层;4~6层为多层;7~9层为中高层;10层及10层以上为高层。七层及七层以上或住宅入口层楼面距室外设计地面的高度超过16M以上的住宅必须设置电梯。
2、除住宅建筑之外的民用建筑:高度小于24m为单层和多层,大于24m为高层建筑 (非包括单层主体建筑)。建筑高度是指自室外设计地面至建筑主体檐口顶部的垂直高度。
3、建筑总高度超过100m时:无论是住宅或公共建筑均为超高层。
4、国际上,将高层建筑又进行具体分类:
(1)第一类高层建筑9~16层(最高50米)
(2)第二类高层建筑17~25层(最高75米)
(3)第三类高层建筑26~40层(最高100米)
(4)第四类高层建筑40层以上(100米以上)
建筑按结构类型分
1、砌体结构:结构的竖向承重构件是采用黏土、多孔砖或承重钢筋混凝土小砌块砌筑的墙体,水平承重构件为钢筋混凝土楼板及屋面板。一般用于多层建筑中。
2、框架结构:结构的承重部分是由钢筋混凝土或型钢组成的梁柱体系,墙体只起围护和分隔作用。适用于跨度大、荷载大,高度大的多层和高层建筑。
3、钢筋混凝土板墙结构:结构的竖向承重构件和水平承重构件均采用钢筋混凝土制作,施工时可在现场浇注或在加工厂预制,现场吊装。可用于水平荷载较大的高层建筑。
4、空间结构:由钢筋混凝土或型钢组成空间结构承受建筑的全部荷载,如网架、悬索、拱、膜、壳体等。适用于大跨度的公共建筑。
9.3 建筑物的等级划分
建筑物的耐久等级
建筑物耐久等级的指标是耐久年限 , 耐久年限的长短是依据建筑物的重要性决定。影响建筑寿命长短的主要因素是结构构件的选材和结构体系。耐久等级一般分为 5 级。
建筑物的耐火等级
耐火等级取决于房屋的主要构件的耐火极限和燃烧性能。单位为小时。
耐火极限:从受到火的作用起,到失去支持能力,或发生穿透性裂缝,或背火一面温度升高到220℃时所延续的时间。
燃烧性能:是指建筑构件在明火或高温辐射的情况下,能否燃烧及燃烧的难易程度。建筑构件按照燃烧性能分成非燃烧体(或称非燃烧体)、难燃烧体和燃烧体。
我国高层民用建筑的耐火等级分为二级,多层建筑的耐火等级分为 4 级,其划分方法分别见表1和表2。
表1 高层民用建筑构件的燃烧性能和耐火极限

表2 多层建筑构件的燃烧性能和耐火极限

建筑物的工程等级
建筑的工程等级以其复杂程度为依据,共分6级,其具体划分见表3。
表3 建筑的工程等级


9.4 民用建筑的构造组成

图1 民用建筑的剖面轴测图
图1为民用建筑的剖面轴测图,从图中我们可以看到房屋的主要组成部分,它们是:
基础:建筑最下部的承重构件,承担建筑的全部荷载,并下传给地基。
墙体和柱:墙体是建筑物的承重和围护构件。墙体具有承重要求时,它承担屋顶和楼板层传来的荷载,并传给基础。外墙还具有围护功能,应具备抵御自然界各种因素对室内侵袭的能力。内墙具有在水平方向划分建筑内部空间、创造适用的室内环境的作用。在框架承重结构中,柱是主要的竖向承重构件。
屋顶:是建筑顶部的承重和围护构件,一般由屋面、保温 ( 隔热 ) 层和承重结构三部分组成,其中承重结构承担屋面荷载和自重,而屋面和保温 ( 隔热 ) 层抵御自然界不利因素侵袭。
楼地层:是楼房建筑中的水平承重构件 ,楼地层包括底层地面和中间的楼板层, 楼板层同时还兼有在竖向划分建筑内部空间的功能。楼板承担建筑的楼面荷载并把这些荷载传给墙或梁,同时对墙体起水平支撑的作用。
楼梯:楼房建筑的垂直交通设施,供人们平时上下和紧急疏散时使用。
门窗:门主要用做内外交通联系及分隔房间,窗的主要作用是采光和通风,门窗属于非承重构件。
房屋除了上述几个主要组成部分之外,对不同使用功能的建筑还有一些附属的构件和配件,如阳台、雨篷、台阶、散水、通风道等。这些构配件也可以称为建筑的次要组成部分。
9.5 影响建筑构造的因素和构造设计原则
影响建筑构造的因素
1、外力作用的影响:外力的作用是影响建筑构造的主要因素。
荷载:直接作用在建筑的外力,可分为恒荷载和活荷载两大类。
恒荷载:主要是指建筑的自重。
活荷载:又称动荷载,如人体、家具、设备的荷载,风、雨、雪荷载和地震荷载也属于活荷载。
2、自然气候的影响: 根据当地的实际情况对房屋的各有关部位采取相应的构造措施,如保温隔热、防潮防水、防冻胀等,以保证房屋的正常使用。
3、人为因素和其他因素的影响: 如噪声、振动、化学辐射、爆炸、火灾等。应通过在房屋相应的部位采取可靠的构造措施提高房屋的生存能力。
4、技术和经济条件的影响
建筑构造要根据行业发展的现状和趋势不断调整,推陈出新。
经济水平的提高也会对建筑构造产生影响。如弱电技术、智能系统、高档装修在建筑中的逐步普及,对建筑构造也提出了新的要求。
建筑构造的设计原则
1、满足建筑使用功能的要求
2、确保结构安全
3、适应建筑工业化和建筑施工的需要
4、注重社会、经济和环境效益
5、注重美观
综上所述,应当本着满足功能、技术先进、经济适用、确保安全、美观大方、符合环保要求的原则,对构造方案进行比较和分析,做出最佳选择。
9.6 建筑模数协调统一标准与建筑轴线的确定
建筑模数协调统一标准
建筑模数:选定的标准尺度单位,作为建筑空间、建筑构配件、建筑制品以及有关设备尺寸相互协调中的增值单位。
基本模数:模数协调中选用的基本单位,其数值为100mm ,符号为M ,即1M =100mm 。整个建筑物及其一部分或建筑组合构件的模数化尺寸应为基本模数的倍数。
导出模数:包括扩大模数和分模数。
扩大模数:基本模数的整数倍数。水平扩大模数基数为3M、6M、12M、15M、30M、60M,其相应的尺寸分别是300、600、1200、1500、3000、6000mm。竖向扩大模数基数3M、6M,其相应的尺寸分别是300、600mm。
分模数:是整数除基本模数的数值。分模数基数1/2M、1/5M、1/10M,其相应的尺寸分别是50、20、10mm。
建筑轴线的确定
定位轴线 :确定房屋主要结构或构件的位置及其尺寸的基线。
砖混结构墙体的平面定位轴线
1、内墙顶层墙身的中心线一般与平面定位轴线相重合。
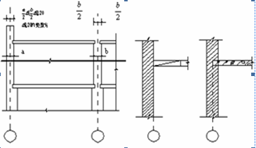
2、承重外墙顶层墙身的内缘与平面定位轴线的距离,一般为顶层承重内墙厚度的一半、顶层墙身厚度的一半、半砖(120mm)或半砖的倍数(图2)。当墙厚为180mm 时,墙身的中心线与平面定位轴线重合。
3、非承重外墙与平面定位轴线的联系,除可按承重外墙布置外,还可使墙身内侧与平面定位轴线相重合。

(a) 承重墙、外墙; (b)非承重墙
图2 墙与平面定位的关系
框架结构柱的平面定位轴线
中柱(中柱上柱或顶层中柱)的中线一般与纵、横向平面定位轴线相重合;
边柱的外缘一般与纵向平面定位轴线相重合或偏离,也可使边柱(顶层边柱)的纵向中线与纵向平面定位轴线相重合(图3)。

(a) 墙包柱时;(b)墙与柱外平时
图3 柱与平面定位线的关系
结构构件与竖向定位轴线的联系
在多层建筑中,一般常使建筑物各层的楼面、首层地面与竖向定位轴线相重合(图4)。
必要时,可使各层的结构层表面与竖向定位轴线相重合。 平屋面(无屋架或屋面大梁)一般使屋顶结构层表面与竖向定位轴线重合。

图4 建筑物首层地面、楼面及屋面标高与竖向定位线的关系
