学习要求:掌握楼梯的各种形式和适用范围,掌握楼梯的各种尺寸和楼梯的设计,掌握楼梯的扶手、踏步、面层等构造,掌握台阶和坡道及电梯构造。
重 点:掌握楼梯的各种尺寸和楼梯的设计,掌握楼梯的扶手、踏步、面层等构造,掌握台阶和坡道及电梯构造。
难 点:掌握楼梯的设计,掌握楼梯的扶手、踏步、面层等构造。
5.1楼梯的组成
1.楼梯的组成
(1)楼梯梯段:联系两个不同标高平台的倾斜构件,由若干个踏步构成。每个梯段的踏步数量最多不超过18级,最少不少于3级。
踏面:踏步中供人们行走时踏脚的水平面称为踏面。
踢面:与踏面垂直的平面称为踢面。
踏面和踢面之间的尺寸关系决定了楼梯的坡度。
楼梯井:两平行梯段之间的空隙称为楼梯井,公共建筑楼梯井净宽大于200mm,住宅楼梯井净宽大于110mm时,必须采取安全措施。
(2)楼梯平台:联系两个楼梯段的水平构件,主要是为了解决楼梯段的转折和与楼层连接,同时也使人在上下楼时能在此处稍做休息。
楼层平台:与楼层标高一致的平台。
中间平台:位于两个楼层之间的平台。
(3)栏杆和扶手:在楼梯段的临空边缘设置栏杆或栏板以确保使用安全。
扶手:栏杆、栏板上部供人们用手扶持的连续斜向配件称为扶手。


图1 楼梯的组成
2.楼梯的类型
(1)按楼梯的材料分:钢筋混凝土楼梯、钢楼梯、木楼梯等。
(2)按楼梯的位置分:室内楼梯和室外楼梯。
(3)按楼梯的使用性质分:主要楼梯、辅助楼梯、疏散楼梯及消防楼梯。根据消防要求又有开敞楼梯间、封闭楼梯间和防烟楼梯间之分(图7-1)。
(4)按楼梯的平面形式分:单跑直楼梯、双跑直楼梯、双跑平行楼梯、三跑楼梯、双分平行楼梯、双合平楼梯、转角楼梯、双分转角楼梯、 交叉楼梯、剪刀楼梯、螺旋楼梯等 (图2)。楼梯的平面形式是根据其使用要求、建筑功能、平面和空间的特点以及楼梯在建筑中的位置 等因素确定的。目前在建筑中应用较多的是双跑平行楼梯。 螺旋式楼梯对建筑室内空间具有良好的装饰性,适用于公共建筑的门厅等处,但不能作为主要人流交通和疏散楼梯。


图2 楼梯的平面形式
3.楼梯的设计要求
(1)考虑通行的需要,楼梯数量、位置、形式应符合有关规范和标准的规定,必须具有足够的通行能力、强度和刚度。
(2)满足防火、防烟、防滑、采光和通风等要求。
(3)部分楼梯对建筑具有装饰作用,应考虑楼梯对建筑整体空间效果的影响。
(4)楼梯间的门应朝向人流疏散方向,底层应有直接对外的出口。北方地区当楼梯间兼作 建筑物出入口时,要注意防寒,一般可设置门斗或双层门。在部分多层建筑和高层建筑中,电梯是解决垂直交通的主要设备,但楼梯作为安全疏散通道必须设置。
4.楼梯的尺度
(1)楼梯段的宽度
楼段宽度(净宽):应根据使用性质、使用人数(人流股数)和防火规范确定。 通常情况下,作为主要通行用的楼梯,其梯段宽度应至少满足两个人相对通行(即不小于两股人流)。按每股人流0.55+(0~0.15)m考虑, 双人通行时为1100~1400mm,三人通行时为1650~2100mm,余类推(图7-6)。
室外疏散楼梯其最小宽度为900mm。 同时,需满足各类建筑设计规范中对梯段宽度的限定。如防火疏散楼梯,医院病房楼、居住建筑及其他建筑, 楼梯的最小净宽应不小于1.30m、1.10、1.20m。


图3 楼梯段宽度
楼段长度(L):每一梯段的水平投形长度,其值为L=b×(N-1),其中b为踏面步宽,N为梯段踏步数,此处需注意踏步数为踢面步高数。
(2)楼梯的坡度与踏步尺寸
在竖向交通设施中,楼梯、爬梯、台阶及坡道的主要区别在于坡度不同,它们的坡度范围如图7-4所示。楼梯坡度范围在25°~45°之间, 普通楼梯的坡度不宜超过38° ,30°是楼梯的适宜坡度。
踏步尺寸
楼梯的坡度决定了踏步的高宽比,在设计中踏步尺寸常使用经验公式:
2h+b=600~620mm 式中:
h——踏步高度;b——踏步宽度;
600~620mm——人的平均步距。


图4 坡度范围
踏步尺寸一般根据建筑的使用功能、使用者的特征及楼梯的通行量综合确定,规范要求:踏步的宽度可取220、240、260、280、300、320mm,必要时可取250mm;踏步高度不宜大于210mm,且各级高度均应相同。具体可参见表7-1之规定。为适应人们上下楼常将踏 面适当加宽,而又不增加梯段的实际长度,可将踏面适当挑出,或将踢面前倾(图5)。


图5 踢面前倾
表5-1常用踏步尺寸(mm)
建筑类别 | 住宅公用梯 | 幼儿园、小学 | 剧院、体育馆、商场、医院、旅馆和大中学校 | 其它建筑 | 专用疏散梯 | 服务楼梯、住宅套内楼梯 |
最小宽度值 | 260 | 260 | 280 | 260 | 250 | 220 |
最大高度值 | 175 | 150 | 160 | 170 | 180 | 200 |
(3)平台宽度
中间平台宽度:对于平行和折行多跑等类型楼梯,中间平台宽度应不小于梯段宽度,并且不小于1.1m。对于不改变行进方向的平台 ,其宽度可不受此限。医院建筑还应保证担架在平台处能转向通行,其中间平台宽度不小于1800mm。
楼层平台宽度:应比中间平台宽度更宽松一些,以利于人流分配和停留。对于开敞式楼梯间, 一般可使梯段的起步点自走廊边线后退一段距离(≥500mm)即可。
(4)栏杆扶手尺度
设置要求:当梯段的垂直高度大于1.0m时,就应在梯段的临空面设置栏杆。当梯段净宽达三股人流时应两侧设扶手, 四股人流时应加设中间扶手。
扶手高度:扶手高度应从踏步前缘线垂直量至扶手顶面。其高度根据人体重心高度和楼梯坡度大小等因素确定。 室内楼梯栏杆一般不宜小于900mm,
靠楼梯井一侧水平扶手长度超过0.5m时,其高度不应小于1.05m; 室外楼梯栏杆高度不应小于1.05m;中小学和高层建筑室外楼梯栏杆高度不应小于1.1m;供儿童使用的楼梯应在500~600mm高度增设扶手。
(5)楼梯净空高度
梯段的净空高度:一般指自踏步前缘(包括最低和最高一级踏步前缘线以外0.30m范围内) 量至上访突出物下缘间的垂直高度。在确定净高时,应充分考虑人行或搬运物品对空间的实际需要。我国规定, 民用建筑楼梯平台上部及下部过道处的净高应不小于2m,楼梯段净高不宜小于2.2m(图5)。


图6 梯段及平台部位净高要求
5.2钢筋混凝土楼梯构造
现浇钢筋混凝土楼梯:梯段和平台整体浇筑在一起,其整体性好、刚度大、抗震性好,不需要大型起重设备, 但施工进度慢、耗费模板多、施工程序较复杂。 目前建筑中较多采用现浇整体式钢筋混凝土楼梯。
预制装配式钢筋混凝土楼梯:施工进度快,受气候影响小,构件由工厂生产,质量易保证,但施工时需要配套的起重设备、投资较多。
1.板式楼梯
梯段分别与两端的平台梁整浇在一起,由平台梁支承。楼段相当于是一块斜放的现浇板,平台梁是支座(图7-8a)。板式楼梯适用于荷载较小、建筑层高较小 (建筑层高对梯段长度有直接影响)的情况,如住宅、宿舍建筑。梯段的水平投影长度一般不大于3m。板式楼梯梯段的底面平整、美观,也便于装饰。
为保证平台过道处的净空高度,可在板式楼梯的局部位置取消平台梁,形成折板式楼梯(图7)。
近年在公共建筑和庭园建筑的外部楼梯出现了一种造型新颖,具有空间感的悬臂板式楼梯,其特点是楼梯段和平台均无支承,完全靠上下梯段和平台组成的空间结构与上下层楼板共同受力。


图7 现浇钢筋混凝土板式楼梯
2.梁板式楼梯
由踏步板、楼梯斜梁、平台梁和平台板组成。踏步板由斜梁支承;斜梁由两端的平台梁支承。踏步板的跨度就是梯段的宽度,平台梁的间距即为斜梁的跨度。斜梁一般为两根,布置在踏步的两端(图8a) 。但楼梯间的承重墙有时取代靠墙的斜梁,成为单斜梁楼梯(图8b)。
明步:斜梁在踏步板下,踏步露明,通称明步(图9a);
暗步:斜梁在踏步板上面,下面平整,踏步包在梁内,通称暗步(图9b)。暗步楼梯弥补了明步楼梯梯段下部易积灰、侧面易污染的缺陷,但斜梁宽度要满足结构的要求,从而使梯段的净宽变小。


图8 明步楼梯与暗步楼梯


图9 明步楼梯与暗步楼梯
预制装配式钢筋混凝土楼梯构造
小型构件装配式楼梯:构件尺寸小、重量轻、数量多,一般把踏步板作为基本构件。具有构件生产、运输、安装方便的优点,同时也存在着施工较复杂、施工进度慢、往往需要现场湿作业配合的不足。小型构件装配式楼梯主要有梁承式、悬挑式和墙承式三种构造形式。
中、大型构件装配式楼梯:一般把楼梯段和平台板作为基本构件,构件的体量大,规格和数量少,装配容易、施工速度快,适于成片建设的大量性建筑。
5.3楼梯的细部构造
1.踏步面层
踏步面层:其作法一般与楼地面相同。对面层的要求是耐磨、防滑、便于清洗和美观。常见的踏步面层有水泥砂浆、水磨石、地面砖、各种天然石材等(图7-11)。
防滑措施:人流集中的楼梯,踏步表面应采取防滑和耐磨措施,通常是在踏步口做防滑条。防滑条长度一般按踏步长度每边减去150mm。防滑材料可采用铁屑水泥、 金刚砂、塑料条、金属条、橡胶条、马赛克等(图10)。


图7-10 踏步防滑措施
2.栏杆、栏板的形式和材料
(1)空花栏杆:一般多采用金属材料制作,如钢材、铝材、铸铁花饰等(图11)。其垂直杆件间净距不应大于110mm。经常有儿童活动的建筑, 栏杆的分格应设计成不易儿童攀登的形式,以确保安全。


图11 空花栏杆
(2)栏板式栏杆:栏板是用实体材料制作而成。常用材料有钢筋混凝土、加设钢筋网的砖砌体、木材、有机玻璃、钢化玻璃等。栏板可直接与梯段相连, 也可安装在垂直构件上。砖砌栏板常用做法是立砖砌筑,多结合暗步楼梯斜梁砌成。为加强稳定性,须和现浇钢筋混凝土扶手连成整体,并在栏板内每隔1000~1200mm加钢筋或设混凝土构造柱,增强其刚度。
(3)组合式栏杆:将空花栏杆与栏板组合在一起构成的栏杆形式(图12)。


图12 组合式栏杆
3.扶手构造
尺寸和形状:除考虑造型要求外,应以便于手握为宜。其表面必须光滑、圆顺,顶面宽度一般不宜大于90mm。绝大多数扶手是连续设置的, 接头处应当仔细处理,使之平滑过渡。
材料:可以用优质硬木、金属型材(铁管、不锈钢、铝合金等)、工程塑料及水泥砂浆抹灰、水磨石、天然石材制作(图13)。室外楼梯不宜使用木扶手,以免淋雨后变形和开裂。


图13 扶手的形式及扶手与栏杆的连接构造
栏杆与扶手、栏杆与梯段、栏杆扶手与墙或柱的连接
栏杆与扶手的连接:金属扶手与栏杆直接焊接;抹灰类扶手在栏板上端直接饰面;木及塑料扶手在安装前应事先在栏杆顶部设置通长的扁铁,扁铁上预留安装钉孔,把扶手放在扁铁上,用螺丝固定(图13)。
栏杆与梯段的连接(图14):一种是在梯段内预埋铁件与栏杆焊接;另一种是在梯段上预留孔洞,用细石混凝土、水泥砂浆或螺栓固定。

(a)埋入预留孔洞 (b)与预埋钢板焊接 (c)立杆焊在底板上 (d)立杆进入踏板用膨胀螺栓侧面预留孔内

图14 栏杆与梯段的连接
栏杆扶手与墙或柱的连接(图15):一种是在墙上预留孔洞,将栏杆铁件插入洞内,再用细石混凝土或水泥砂浆填实; 另一种是在钢筋混凝土墙或柱的相应位置上预埋铁件与栏杆扶手的铁件焊接,也可用膨胀螺栓连接。具体作法可参考


图15 栏杆扶手与墙或柱的连接
5.4台阶与坡道
1.台阶与坡道的形式
作用:供人们进出建筑之用。
形式:应当与建筑的级别、功能及周围的坏境相适应。较常见的台阶形式有:单面踏步、两面踏步、三面踏步以及单面踏步带花池(花台)等(图7-18)。
尺寸:台阶顶部平台的宽度应大于所连通的门洞口宽度,一般每边至少宽出500mm,室外台阶顶部平台的深度不应小于1.0m。 台阶面层标高应比首层室内地面标高低10mm左右,并向外作1%~2%的坡度。室外台阶踏步的踏面宽度不宜小于300mm,踢面高度不应大宜150mm。 室内台阶踏步数不应小于2级,当高差不足2级时,应按坡道设置。


图16 台阶的形式
2.台阶构造
台阶的地基由于在主体施工时,多数已被破坏,一般是做在回填土上,为避免沉陷和寒冷地区的土壤冻胀影响,有以下几种处理方式:
架空式台阶:将台阶支承在梁上或地垄墙上(图17)。
分离式台阶:台阶单独设置,如支承在独立的地垄墙上。寒冷地区,如台阶下为冻胀土,应当用砂类、砾石类土换去冻胀土,然后再做台阶。单独设立的台阶必须与主体分离,中间设沉降缝,以保证相互间的自由沉降(图7-19b、c)。


图17 台阶构造
3.坡道构造
作用:主要是为车辆及残疾人进出建筑而设置。
形式:坡道按用途的不同,可以分为行车坡道和轮椅坡道两类。
行车坡道:分为普通行车坡道(图7-20a)与回车坡道(图7-20b)两种。行车坡道布置在有车辆进出的建筑入口处,如车库等。回车坡道与台阶踏步组合在一起,布置在某些大型公共建筑的入口处,如办公楼、医院等。
轮椅坡道:专供残疾人使用,又称为无障碍坡道。

图18 行车坡道
坡道尺寸
宽度:普通行车坡道的宽度应大于所连通的门洞宽度,一般每边至少≥500mm;回车坡道的宽度与坡道半径及车辆规格有关,不同位置的坡道坡度和宽度应符合表7-2的规定。 供残疾人使用的轮椅坡道宽度不应小于0.9m。当坡道的高度和长度超过表7-3的规定时,应在坡道中部设休息平台,其深度不小于1.2m; 坡道在转弯处应设休息平台,其深度不小于1.5m。
表2 不同位置的坡道坡度和宽度
坡道位置 | 最大坡度 | 最小宽度(m) |
有台阶的建筑入口 | 1:12 | 1.20 |
只设坡道的建筑入口 | 1:20 | 1.50 |
室内走道 | 1:12 | 1.00 |
室外通路 | 1:20 | 1.50 |
困难地段 | 1:10~1:8 | 1.20 |
表3 每段坡道的坡度、最大高度和水平长度
坡道坡度(高/长) | 1:8 | 1:10 | 1:12 | 1:16 | 1:20 |
每段坡道允许高度(m) | 0.35 | 0.60 | 0.75 | 1.00 | 1.50 |
每段坡道允许水平长度(m) | 2.80 | 6.00 | 9.00 | 16.00 | 30.00 |
无障碍坡道,在坡道的起点和终点,应留有深度不小于1.50m的轮椅缓冲地带。坡道两侧应设置扶手,且与休息平台的扶手保持连贯。 坡道侧面凌空时,在栏杆扶手下端宜设高不小于50mm的坡道安全挡台。(图19)。

图19 坡道扶手和安全挡台
坡度:普通行车坡道的坡度与建筑的室内外高差和坡道的面层处理方法有关。室内坡道的坡度应不大于1:8;室外坡道的坡度应不大于1:10; 供残疾人使用的轮椅坡道的坡度不宜大于1:12,;每段坡道的坡度、允许最大高度和水平长度应符合表7-3的规定;
坡道的构造与台阶基本相同,一般采用实铺,垫层的强度和厚度应根据坡道的长度及上部荷载大小进行选择。严寒地区垫层下部设置砂垫层(图20)。

图20 坡道的构造
5.5电梯与自动扶梯、自动人行道
1.电梯
电梯的设置条件:
是多层及高层建筑中常用的建筑设备。当住宅的层数较多(7层及7层以上)或建筑从室外设计地面至最高楼面的高度超过16m以上时,应设置电梯;
四层及四层以上的门诊楼或病房楼,高级宾馆(建筑级别较高)、多层仓库及商店(使用有特殊需要)等,也应设置电梯;
高层及超高层建筑达到规定要求时,还要设置消防电梯。
电梯的布置要点:
电梯间应布置在人流集中的地方,而且电梯前应有足够的等候面积,一般不小于电梯轿厢面积。供轮椅使用的候梯厅深度不应小于1.5m。
当需设多部电梯时,宜集中布置,有利于提高电梯使用效率也便于管理维修。
以电梯为主要垂直交通工具的高层公共建筑和12层及12层以上的高层住宅,每栋楼设置电梯的台数不应少于2台。
电梯的布置方式有单面式和对面式(图7-23)。电梯不应在转角处紧邻布置,单侧排列的电梯不应超过4台,双侧排列的电梯不应超过8台。

图21 电梯的布置方式
(1)电梯的类型
按电梯的用途分:乘客电梯、住宅电梯、病床电梯、客货电梯、载货电梯、杂物电梯。
按电梯的拖动方式分:交流拖动(包括单速、双速、调速)电梯、直流拖动电梯、液压电梯。
按消防要求分:普通乘客电梯和消防电梯。
(2)电梯的组成(图22)
井道:电梯轿厢运行的通道。
井道内部设置电梯导轨、平衡配重等电梯运行配件,并设有电梯出人口。电梯井道可以用砖砌筑,也可以采用现浇钢筋混凝土墙。砖砌井道一般每隔一段应设置钢筋混凝土圈梁,供固定导轨等设备用。
电梯井道应只供电梯使用,不允许布置无关的管线。速度不低于2m/s的载客电梯,应在井道顶部和底部设置不小于600mm*600mm带百叶窗的通风孔。
井道可供单台电梯使用,也可供两台电梯共用。图23为住宅电梯井道平面。

图22 电梯井道及组成示意图

图23 电梯井道平面
机房:
机房一般设在电梯井道的顶部,少数把机房设在井道底层的侧面(如:液压电梯)。机房的平面和剖面尺寸均应满足布置机械及电控设备的需要,并留有足够的管理、维护空间,同时要把室内温度控制在设备运行的允许范围之内。
机房的面积要大于井道的面积,通往机房的通道、楼梯和门的宽度不应小于1.20m。
为了减少电梯运行时的振动操音,除在机房机座下设弹性垫层外,还应在机房下部设、 置隔音层。
消防电梯的设置条件:
根据国家有关规范,消防电梯的数量与建筑主体每层建筑面积有关,多台消防电梯在建筑中应设置在不同的防火分区之内。 高层建筑应设消防电梯的情况:
1、一类公共建筑;
2、塔式住宅;
3、十二层及十二层以上的单元式住宅或通廊式住宅;
4、高度超过32m的其它二类公共建筑。消防电梯的
消防电梯的有关设置规定
1、消防电梯宜分别设在不同的防火分区内。
2、消防电梯应设置前室,前室面积:居住建筑不小于4.5m2、公共建筑不小于6.0m2; 与防烟楼梯间共用前室时,居住建筑不小于6.0m2、公共建筑不小于10.0m2。
3、消防电梯间前室宜靠外墙设置,在首层应设直通室外的出口或经过长度不超过30m的通道通向室外。
4、消防电梯间前室的门,应采用乙级防火门或具有停滞功能的防火卷帘。
5、消防电梯的载重量不应小于800kg。
6、消防电梯井、机房与相邻其它电梯井、机房之间,应采用耐火极限不低于2.00h的隔墙隔开,当在隔墙上开门时,应设甲级防火门。
7、消防电梯的行驶速度,应按从首层到顶层的运行时间不超过60s计算确定。
8、消防电梯轿厢的内装修应采用不燃烧材料。
9、动力与控制电缆、电线应采取防水措施。
10、消防电梯轿厢内应设专用电话;并应在首层设供消防队员专用的操作按钮。
11、消防电梯间前室门口宜设挡水设施。井底应设排水设施,排水井容量不应小于2.00m3,排水泵的排水量不应小于10L/s。
12、消防电梯可与载客或工作电梯兼用,但应符合消防电梯的要求。
2.自动扶梯
设置条件:大型商场、展览馆、火车站、航空港等人流集中的大型公共建筑一般设置自动扶梯。
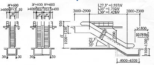
设置要求:自动扶梯由电机驱动,踏步与扶手同步运行,可以是正向运行,也可以是反向运行。自动扶梯的倾斜角不应超过30°, 当提升高度不超过6m,额定速度不超过0.50m/s时,倾斜角允许增至35°;倾斜式自动人行道的倾斜角不应超过12°。 宽度有600mm(单人)、800mm(单人携物)、1000mm、1200mm(双人)。交叉自动扶梯的载客能力很高,一般为4000~10000人/小时。
自动扶梯的具体尺寸应查阅电梯生产厂家的产品说明书。其中自动扶梯与扶梯边缘楼板之间的安全间距应不小于400mm。不同的生产厂家, 自动扶梯的规格尺寸也不相同。图24为自动扶梯的基本尺寸。

图24 自动扶梯的基本尺寸
布置方式:
1、并联排列式(图24a):楼层交通乘客流动可以连续,升降两方向交通均分离清楚,外观豪华,但安装面积大。
2、平行排列式(图24b):安装面积小,但楼层交通不连续。
3、串联排列式(图24c):楼层交通乘客流动可以连续。
4、交叉排列式(图24d):乘客流动升降两方向均为连续,且搭乘场相距较远,升降客流不发生混乱,安装面积小。交叉自动扶梯之间的间距应不小于400mm。

图25 自动扶梯的布置方式
